產品分類
- 電工電子電氣實訓設備
- 電力電子電機實訓裝置
- 過程控制實驗裝置
- 工業機器人智能制造
- 維修電工實訓設備
- PLC自動化實訓設備
- 數控機床實訓考核裝置
- 數控機床機械加工設備
- 機床電氣實訓裝置
- 機電一體化實訓設備
- 機械示教陳列柜
- 機械專業實驗設備
- 傳感器檢測實驗室設備
- 工業互聯人工智能實訓設備
- 特種作業操作實訓考核設備
- 物聯網實驗實訓設備
- 消防、給排水實訓設備
- 網絡布線實訓室設備
- 電梯安裝維修實訓考核設備
- 熱工暖通家電制冷實訓設備
- 樓宇智能化實訓設備
- 環境工程實驗裝置
- 流體力學實驗裝置
- 化工專業實驗實訓設備
- 新能源實驗實訓設備
- 電力供配電實訓設備
- 煤礦礦山實驗實訓設備
- 液壓氣動實驗室設備
- 教學仿真軟件
- 軌道交通實驗實訓設備
- 船舶實訓考核裝置
- 駕駛模擬訓練設備
- 新能源汽車實訓設備
- 汽車發動機底盤實訓臺
- 汽車電器電子實訓臺
- 特種車工程機械實訓設備
- 智能網聯汽車實訓設備
- 醫學教學模型
- 中小學實驗室設備
- 實驗箱.實驗儀
- 光電子通信實驗裝置
- 儀器設備.教學掛圖
更多新產品
- LG-TSV05型智能網聯自動駕駛微縮車
- LG-ITP02型智能網聯汽車視覺識別實訓臺
- LG-IH05型智能網聯汽車超聲波雷達便攜式實驗箱
- LG-ITP03型智能網聯汽車激光雷達實訓臺
- LG-IH04型智能網聯汽車組合導航系統便攜式實驗箱
- LG-IH01型智能網聯汽車毫米波雷達便攜式實驗箱
- LG-IKP013型智能網聯汽車決策規劃仿真實訓臺
- LG-TSV07型智能網聯乘用車高級開發教學平臺
- LG-TSV10型智能網聯車路協同智慧燈桿
- LG-TSV08型智能網聯微縮車平行駕駛系統
- LG-TSV11型智能網聯車路協同沙盤及云控平臺
- LG-IZC02型智能網聯自動駕駛小巴(8座 荷載15人)
- LG-JXY014型機械傳動與液壓控制實訓平臺
- LG-JXY012型工業機械傳動與液壓調試平臺
- LGY-JD011型機電液一體化智能綜合實訓平臺(液壓
更多熱點產品
- LG-DLK01型 電力系統綜合自動化實驗平臺
- LG系列 智能建筑實驗實訓裝置
- LGJS-3型 模塊式柔性環形自動生產線及工業機器人
- LGJX-82E型 立體倉庫實訓裝置
- LGJS-1型 現代物流倉儲自動化實驗系統
- LGJS-2型 模塊式柔性自動環形生產線實驗系統(工
- LG-2400型 數控模組化生產流水線綜合系統(CD制程
- LGJD-01型 光機電一體化控制實訓裝置
- LGJD-02型 光機電一體化控制實訓裝置
- LG-235A 光機電一體化高速分揀實訓系統
- LGK-III型 數控車/銑床綜合考核裝置(二合一/生產型
- LG-AT2型 自控原理與計算機控制實驗儀
- LG-NLY01型 樓宇智能化工程實訓系統
- LGZK-201G 自動化綜合實訓裝置( PLC、直流調速、觸
- LGPD-205B型 PLC、單片機及微機原理綜合實訓裝置
LG-BL401B型 蜘蛛手工業機器人
品牌:理工偉業 咨詢電話:010-82827827 82827835
LG-BL401B型 蜘蛛手工業機器人適用于各個行業的快速分揀排列或者裝箱,集成智能視覺識別功能,具有良好的動態跟蹤功能。負載1KG能夠滿足大多數需要快速分揀的產品。 DT_Catch軟件集成視覺設置、工具設置、軌跡設置、碼垛模塊、標定模塊為一體,簡化操作過程,方便用戶隨時更改自己需要的程序。 成熟的運動控制技術,保證機器人系統的穩定性。關鍵運動部件采用進口成熟品牌,保證使用壽命。
一、產品特點
1.精準定位:重復定位精度高達0.1mm。
2.視覺智能識別:機器人自帶視覺系統,可對目標的形狀、特征、姿態進行識別并準確定位。
3.傳送帶動態跟蹤: 對視覺識別的目標進行動態捕捉,大大提高抓取效率。
4.高速: 空載抓取節拍可以達到140次/分鐘(跨度400mm)
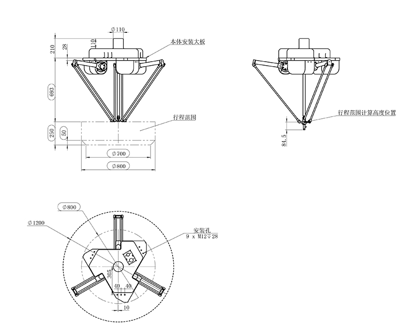
二、技術參數
三、工業機器人參數圖


四、工業應用

關鍵詞: 數控車床 實訓設備 實訓裝置 教學儀器 教學設備 實驗設備 實訓臺 考核裝置 電工電子 實驗裝置 數控技術 實訓考核 技能實訓 數控系統 電氣控制 實訓鑒定 自控實訓 數控軟件 實驗系統 數控實訓 電氣技術 數控設備 數控銑床 高教設備 教學車床 職教設備 PLC控制 PLC技術 PLC實驗 變頻調速

1.精準定位:重復定位精度高達0.1mm。
2.視覺智能識別:機器人自帶視覺系統,可對目標的形狀、特征、姿態進行識別并準確定位。
3.傳送帶動態跟蹤: 對視覺識別的目標進行動態捕捉,大大提高抓取效率。
4.高速: 空載抓取節拍可以達到140次/分鐘(跨度400mm)
二、技術參數
工業機器人 | LG-BL401B | |
四軸 | ||
笛卡爾坐標運行范圍: | R | 400mm半徑 |
Z | 200mm | |
各關節運行范圍: | J1 | +5°/+125° |
J2 | +5°/+125° | |
J3 | +5°/+125° | |
J4 | ±360° | |
運行節拍(25-400-25) | 140 | |
重復定位精度 | ±0.1mm | |
額定載荷 | 1kg | |
電機功率 | 1-3軸 | 750W |
電機功率 | 第4軸 | 400W |
整機功率 | 3000W | |
電壓 | 380V | |
I/O參數 | 數字量:24輸入,32輸出 | |
IP等級 | IP54 | |
環境濕度 | < 85% | |
環境溫度 | 1-45℃ | |
整機重量 | 110kg | |
安裝方式 | 吊裝 | |
控制柜防護等級 | IP53 | |
控制柜尺寸 | 560(寬)×330(厚)×730(高) | |
控制柜重量 | 45KG |


四、工業應用
