產品分類
- 電工電子電氣實訓設備
- 電力電子電機實訓裝置
- 過程控制實驗裝置
- 工業機器人智能制造
- 維修電工實訓設備
- PLC自動化實訓設備
- 數控機床實訓考核裝置
- 數控機床機械加工設備
- 機床電氣實訓裝置
- 機電一體化實訓設備
- 機械示教陳列柜
- 機械專業實驗設備
- 傳感器檢測實驗室設備
- 工業互聯人工智能實訓設備
- 特種作業操作實訓考核設備
- 物聯網實驗實訓設備
- 消防、給排水實訓設備
- 網絡布線實訓室設備
- 電梯安裝維修實訓考核設備
- 熱工暖通家電制冷實訓設備
- 樓宇智能化實訓設備
- 環境工程實驗裝置
- 流體力學實驗裝置
- 化工專業實驗實訓設備
- 新能源實驗實訓設備
- 電力供配電實訓設備
- 煤礦礦山實驗實訓設備
- 液壓氣動實驗室設備
- 教學仿真軟件
- 軌道交通實驗實訓設備
- 船舶實訓考核裝置
- 駕駛模擬訓練設備
- 新能源汽車實訓設備
- 汽車發動機底盤實訓臺
- 汽車電器電子實訓臺
- 特種車工程機械實訓設備
- 智能網聯汽車實訓設備
- 醫學教學模型
- 中小學實驗室設備
- 實驗箱.實驗儀
- 光電子通信實驗裝置
- 儀器設備.教學掛圖
更多新產品
- LG-TSV05型智能網聯自動駕駛微縮車
- LG-ITP02型智能網聯汽車視覺識別實訓臺
- LG-IH05型智能網聯汽車超聲波雷達便攜式實驗箱
- LG-ITP03型智能網聯汽車激光雷達實訓臺
- LG-IH04型智能網聯汽車組合導航系統便攜式實驗箱
- LG-IH01型智能網聯汽車毫米波雷達便攜式實驗箱
- LG-IKP013型智能網聯汽車決策規劃仿真實訓臺
- LG-TSV07型智能網聯乘用車高級開發教學平臺
- LG-TSV10型智能網聯車路協同智慧燈桿
- LG-TSV08型智能網聯微縮車平行駕駛系統
- LG-TSV11型智能網聯車路協同沙盤及云控平臺
- LG-IZC02型智能網聯自動駕駛小巴(8座 荷載15人)
- LG-JXY014型機械傳動與液壓控制實訓平臺
- LG-JXY012型工業機械傳動與液壓調試平臺
- LGY-JD011型機電液一體化智能綜合實訓平臺(液壓
更多熱點產品
- LG-DLK01型 電力系統綜合自動化實驗平臺
- LG系列 智能建筑實驗實訓裝置
- LGJS-3型 模塊式柔性環形自動生產線及工業機器人
- LGJX-82E型 立體倉庫實訓裝置
- LGJS-1型 現代物流倉儲自動化實驗系統
- LGJS-2型 模塊式柔性自動環形生產線實驗系統(工
- LG-2400型 數控模組化生產流水線綜合系統(CD制程
- LGJD-01型 光機電一體化控制實訓裝置
- LGJD-02型 光機電一體化控制實訓裝置
- LG-235A 光機電一體化高速分揀實訓系統
- LGK-III型 數控車/銑床綜合考核裝置(二合一/生產型
- LG-AT2型 自控原理與計算機控制實驗儀
- LG-NLY01型 樓宇智能化工程實訓系統
- LGZK-201G 自動化綜合實訓裝置( PLC、直流調速、觸
- LGPD-205B型 PLC、單片機及微機原理綜合實訓裝置
LG-DM612型 打磨工業機器人
品牌:理工偉業 咨詢電話:010-82827827 82827835
LG-DM612型 打磨工業機器人是中型通用機器人,適應打磨過程反復沖擊載荷大、作業環境粉塵大(干打)、濕度高(水打)的惡劣工況,該機型針對打磨工藝進行特定優化,帶來完美的3C打磨解決方案。
一、產品特點
(一)強悍的本體性能
1、高防護:針對打磨時粉塵和液體飛濺問題,機器人小臂及手腕防護等級達到IP65,防止侵入物對機器人本體的損傷。
2、加強的載荷設計:為了應對打磨過程中打磨力對機器人的反復沖擊,增強設計機器人受到沖擊較大的關鍵部位,保證使用壽命。
3、高剛度:增強設計的小臂提供了足夠的剛度以應對打磨沖擊,保證在打磨過程中軌跡的準確性及打磨精度保持性,提供持續長久的高質量打磨。
4、高精度:絕對定位精度達到±0.4mm,重復定位精度±0.06mm,減小離線編程與實際打磨軌跡間的誤差,縮短生產調試周期,降低調試難度。
5、充分的空間利用:針對3C打磨工件的尺寸及工藝要求,優化機器人臂展,使機器人在滿足絕大多數工件打磨的要求下減少占地面積,提升空間使用率,提高布置密度。
(二)打磨專用離線編程軟件:機器人自行研發的打磨離線編程軟件,具有“快速編程、精準實現”的特點,集成專業應用工藝,易于快速上手,結合配套精度補償系統精準實現運行軌跡。降低軌跡編程難度,縮短生產調試周期。
(三)友好易用的從操作系統:自主研發控制系統擁有業內較強的易使用性,通過高速傳輸EtherCAT總線進行數據通訊,完成多軸聯動圓弧插補運動。操作友好,易于理解。
二、技術參數
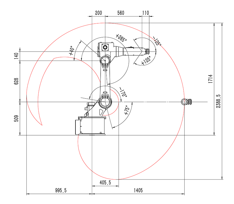
三、工業機器人參數圖




四、工業應用

打磨筆記本外殼

(一)強悍的本體性能
1、高防護:針對打磨時粉塵和液體飛濺問題,機器人小臂及手腕防護等級達到IP65,防止侵入物對機器人本體的損傷。
2、加強的載荷設計:為了應對打磨過程中打磨力對機器人的反復沖擊,增強設計機器人受到沖擊較大的關鍵部位,保證使用壽命。
3、高剛度:增強設計的小臂提供了足夠的剛度以應對打磨沖擊,保證在打磨過程中軌跡的準確性及打磨精度保持性,提供持續長久的高質量打磨。
4、高精度:絕對定位精度達到±0.4mm,重復定位精度±0.06mm,減小離線編程與實際打磨軌跡間的誤差,縮短生產調試周期,降低調試難度。
5、充分的空間利用:針對3C打磨工件的尺寸及工藝要求,優化機器人臂展,使機器人在滿足絕大多數工件打磨的要求下減少占地面積,提升空間使用率,提高布置密度。
(二)打磨專用離線編程軟件:機器人自行研發的打磨離線編程軟件,具有“快速編程、精準實現”的特點,集成專業應用工藝,易于快速上手,結合配套精度補償系統精準實現運行軌跡。降低軌跡編程難度,縮短生產調試周期。
(三)友好易用的從操作系統:自主研發控制系統擁有業內較強的易使用性,通過高速傳輸EtherCAT總線進行數據通訊,完成多軸聯動圓弧插補運動。操作友好,易于理解。
二、技術參數
工業機器人 | LG-DM612 | |
自由度 | 6 | |
額定負載 | 12Kg | |
*大工作半徑 | 1405mm | |
重復定位精度 | ±0.06mm | |
運動范圍 | J1 | ±168° |
J2 | -170°/+75° | |
J3 | +40°/ +265° | |
J4 | ±180° | |
J5 | ±125° | |
J6 | ±360° | |
額定速度 | J1 | 148°/s,2.58rad/s |
J2 | 148°/s,2.58rad/s | |
J3 | 148°/s,2.58rad/s | |
J4 | 360°/s,6.28rad/s | |
J5 | 225°/s,3.93rad/s | |
J6 | 360°/s,6.28rad/s | |
*高速度 | J1 | 197.33°/s,3.44rad/s |
J2 | 197.33°/s,3.44rad/s | |
J3 | 197.33°/s,3.44rad/s | |
J4 | 600°/s,10.47rad/s | |
J5 | 375°/s,6.54rad/s | |
J6 | 600°/s,10.47rad/s | |
容許慣性矩 | J6 | 0.17kg㎡ |
J5 | 1.2kg㎡ | |
J4 | 1.2kg㎡ | |
容許扭矩 | J6 | 15 N·m |
J5 | 35 N·m | |
J4 | 35 N·m | |
適用環境 | 溫度 | 0~40° |
濕度 | 20%~80% | |
其他 | 避免與易燃易爆或腐蝕性氣體、液體接觸,遠離電子噪聲源(等離子) | |
示教器線纜長度 | 8米 | |
本體-柜體連接線長度 | 6米 | |
I/O參數 | 數字量:32輸入,31輸出(控制柜故障指示燈輸出占用1) | |
電源容量 | 3.8kVA | |
額定功率 | 3kW | |
額定電壓 | 3相AC380V | |
額定電流 | 5.4A | |
本體防護等級 | IP54/IP65(手腕) | |
安裝方式 | 地面安裝、側掛安裝 | |
本體重量 | 217kg | |
控制柜防護等級 | IP53 | |
控制柜尺寸 | 650mm(寬)×580mm(厚)×940mm(高)-立式 | |
控制柜重量 | 100KG |




四、工業應用

打磨筆記本外殼

- 上一篇:LG-ZN6150型 工業機器人
- 下一篇:LG-DM630型 打磨工業機器人