產品分類
- 電工電子電氣實訓設備
- 電力電子電機實訓裝置
- 過程控制實驗裝置
- 工業機器人智能制造
- 維修電工實訓設備
- PLC自動化實訓設備
- 數控機床實訓考核裝置
- 數控機床機械加工設備
- 機床電氣實訓裝置
- 機電一體化實訓設備
- 機械示教陳列柜
- 機械專業實驗設備
- 傳感器檢測實驗室設備
- 工業互聯人工智能實訓設備
- 特種作業操作實訓考核設備
- 物聯網實驗實訓設備
- 消防、給排水實訓設備
- 網絡布線實訓室設備
- 電梯安裝維修實訓考核設備
- 熱工暖通家電制冷實訓設備
- 樓宇智能化實訓設備
- 環境工程實驗裝置
- 流體力學實驗裝置
- 化工專業實驗實訓設備
- 新能源實驗實訓設備
- 電力供配電實訓設備
- 煤礦礦山實驗實訓設備
- 液壓氣動實驗室設備
- 教學仿真軟件
- 軌道交通實驗實訓設備
- 船舶實訓考核裝置
- 駕駛模擬訓練設備
- 新能源汽車實訓設備
- 汽車發動機底盤實訓臺
- 汽車電器電子實訓臺
- 特種車工程機械實訓設備
- 智能網聯汽車實訓設備
- 醫學教學模型
- 中小學實驗室設備
- 實驗箱.實驗儀
- 光電子通信實驗裝置
- 儀器設備.教學掛圖
更多新產品
- LG-TSV05型智能網聯自動駕駛微縮車
- LG-ITP02型智能網聯汽車視覺識別實訓臺
- LG-IH05型智能網聯汽車超聲波雷達便攜式實驗箱
- LG-ITP03型智能網聯汽車激光雷達實訓臺
- LG-IH04型智能網聯汽車組合導航系統便攜式實驗箱
- LG-IH01型智能網聯汽車毫米波雷達便攜式實驗箱
- LG-IKP013型智能網聯汽車決策規劃仿真實訓臺
- LG-TSV07型智能網聯乘用車高級開發教學平臺
- LG-TSV10型智能網聯車路協同智慧燈桿
- LG-TSV08型智能網聯微縮車平行駕駛系統
- LG-TSV11型智能網聯車路協同沙盤及云控平臺
- LG-IZC02型智能網聯自動駕駛小巴(8座 荷載15人)
- LG-JXY014型機械傳動與液壓控制實訓平臺
- LG-JXY012型工業機械傳動與液壓調試平臺
- LGY-JD011型機電液一體化智能綜合實訓平臺(液壓
更多熱點產品
- LG-DLK01型 電力系統綜合自動化實驗平臺
- LG系列 智能建筑實驗實訓裝置
- LGJS-3型 模塊式柔性環形自動生產線及工業機器人
- LGJX-82E型 立體倉庫實訓裝置
- LGJS-1型 現代物流倉儲自動化實驗系統
- LGJS-2型 模塊式柔性自動環形生產線實驗系統(工
- LG-2400型 數控模組化生產流水線綜合系統(CD制程
- LGJD-01型 光機電一體化控制實訓裝置
- LGJD-02型 光機電一體化控制實訓裝置
- LG-235A 光機電一體化高速分揀實訓系統
- LGK-III型 數控車/銑床綜合考核裝置(二合一/生產型
- LG-AT2型 自控原理與計算機控制實驗儀
- LG-NLY01型 樓宇智能化工程實訓系統
- LGZK-201G 自動化綜合實訓裝置( PLC、直流調速、觸
- LGPD-205B型 PLC、單片機及微機原理綜合實訓裝置
LG-ZN680型 工業機器人
品牌:理工偉業 咨詢電話:010-82827827 82827835
LG-ZN680型 工業機器人是公司*新推出的一款通用型中大負載六軸機器人,在研發設計初始即考慮多種使用工況,如搬運、焊接、打磨、去毛刺等,性能達到同類產品先進水平。

工業機器人本體
一、產品特點
1、高剛度高速度,LG-ZN680型 工業機器人設計采用有限元分析盡心力學分析,結合公司豐富的機器人設計經驗,鑄就LG-ZN680型 工業機器人優異的結構剛度;同時優化電機選型和減速比配置,整機末端合成速度*高達到4m/s。
2、高精度,為滿足焊接、打磨、去毛刺等對軌跡精度有嚴格要求的工作,LG-ZN680型 工業機器人傳動系統經過精心設計和嚴格工藝組裝,盡可能消除傳動系統傳動誤差,重復定位精度達到±0.07mm,為國內還同類產品先進水平。
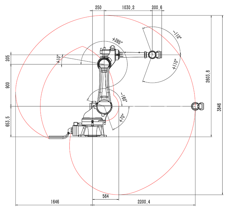
3、工作范圍寬廣靈活,各軸運動范圍大,臂展2200mm,可以覆蓋眾多工作場景,手腕結構緊湊,可以在狹窄空間內靈活轉動。
4、高負載,四五六軸負載余量達到25%,免除夾具設計時緊張的重量控制,給設計留下更多空間,在某些情況下盡可作為100kg負載機器人使用。同時富余的安全余量意味著更高安全系數與更長使用壽命。
5、高防護,手臂防護等級達到IP65,杜絕灰塵、廢屑、液體污染,適用于打磨、去毛刺等惡劣工況,提供持續穩定的生產力,降低維護保養成本,為您創造更多價值。
二、技術參數
三、工業機器人參數圖





工業機器人本體

1、高剛度高速度,LG-ZN680型 工業機器人設計采用有限元分析盡心力學分析,結合公司豐富的機器人設計經驗,鑄就LG-ZN680型 工業機器人優異的結構剛度;同時優化電機選型和減速比配置,整機末端合成速度*高達到4m/s。
2、高精度,為滿足焊接、打磨、去毛刺等對軌跡精度有嚴格要求的工作,LG-ZN680型 工業機器人傳動系統經過精心設計和嚴格工藝組裝,盡可能消除傳動系統傳動誤差,重復定位精度達到±0.07mm,為國內還同類產品先進水平。
3、工作范圍寬廣靈活,各軸運動范圍大,臂展2200mm,可以覆蓋眾多工作場景,手腕結構緊湊,可以在狹窄空間內靈活轉動。
4、高負載,四五六軸負載余量達到25%,免除夾具設計時緊張的重量控制,給設計留下更多空間,在某些情況下盡可作為100kg負載機器人使用。同時富余的安全余量意味著更高安全系數與更長使用壽命。
5、高防護,手臂防護等級達到IP65,杜絕灰塵、廢屑、液體污染,適用于打磨、去毛刺等惡劣工況,提供持續穩定的生產力,降低維護保養成本,為您創造更多價值。
二、技術參數
工業機器人 | LG-ZN680 | |
自由度 | 6 | |
額定負載 | 80Kg | |
*大工作半徑 | 2200.4mm | |
重復定位精度 | ±0.07mm | |
運動范圍 | J1 | ±180° |
J2 | -160°/70° | |
J3 | +10°/265° | |
J4 | ±360° | |
J5 | ±110° | |
J6 | ±360° | |
額定速度 | J1 | 85°/s,1.48rad/s |
J2 | 85°/s,1.48rad/s | |
J3 | 104°/s,1.81rad/s | |
J4 | 177°/s,3.08rad/s | |
J5 | 155°/s,2.7rad/s | |
J6 | 187°/s,3.26rad/s | |
*高速度 | J1 | 127.5°/s,2.22rad/s |
J2 | 127.5°/s,2.22rad/s | |
J3 | 104°/s,1.81rad/s | |
J4 | 177°/s,3.08rad/s | |
J5 | 155°/s,2.7rad/s | |
J6 | 187°/s,3.26rad/s | |
容許慣性矩 | J6 | 25kg㎡ |
J5 | 32.7kg㎡ | |
J4 | 32.7kg㎡ | |
容許扭矩 | J6 | 330Nm |
J5 | 340Nm | |
J4 | 400Nm | |
適用環境 | 溫度 | 0~45° |
濕度 | 20%~80% | |
其他 | 避免與易燃易爆或腐蝕性氣體、液體接觸,遠離電子噪聲源(等離子) | |
示教器線纜長度 | 8米 | |
本體-柜體連接線長度 | 8米 | |
I/O參數 | 數字量:32輸入,31輸出(控制柜故障指示燈輸出占用1) | |
電源容量 | 7.5kVA | |
額定功率 | 6kW | |
額定電壓 |
3相AC380V | |
額定電流 | 10.8A | |
本體防護等級 | IP54/IP65(手腕) | |
安裝方式 | 地面安裝 | |
本體重量 | 722kg | |
控制柜防護等級 | IP53 | |
控制柜尺寸 | 700mm(寬)×500mm(厚)×1300mm(高)-立式 | |
控制柜重量 | 180KG |




- 上一篇:LG-ZN650L型 工業機器人
- 下一篇:LG-ZN6150型 工業機器人