產品分類
- 電工電子電氣實訓設備
- 電力電子電機實訓裝置
- 過程控制實驗裝置
- 工業機器人智能制造
- 維修電工實訓設備
- PLC自動化實訓設備
- 數控機床實訓考核裝置
- 數控機床機械加工設備
- 機床電氣實訓裝置
- 機電一體化實訓設備
- 機械示教陳列柜
- 機械專業實驗設備
- 傳感器檢測實驗室設備
- 工業互聯人工智能實訓設備
- 特種作業操作實訓考核設備
- 物聯網實驗實訓設備
- 消防、給排水實訓設備
- 網絡布線實訓室設備
- 電梯安裝維修實訓考核設備
- 熱工暖通家電制冷實訓設備
- 樓宇智能化實訓設備
- 環境工程實驗裝置
- 流體力學實驗裝置
- 化工專業實驗實訓設備
- 新能源實驗實訓設備
- 電力供配電實訓設備
- 煤礦礦山實驗實訓設備
- 液壓氣動實驗室設備
- 教學仿真軟件
- 軌道交通實驗實訓設備
- 船舶實訓考核裝置
- 駕駛模擬訓練設備
- 新能源汽車實訓設備
- 汽車發動機底盤實訓臺
- 汽車電器電子實訓臺
- 特種車工程機械實訓設備
- 智能網聯汽車實訓設備
- 醫學教學模型
- 中小學實驗室設備
- 實驗箱.實驗儀
- 光電子通信實驗裝置
- 儀器設備.教學掛圖
更多新產品
- LG-TSV05型智能網聯自動駕駛微縮車
- LG-ITP02型智能網聯汽車視覺識別實訓臺
- LG-IH05型智能網聯汽車超聲波雷達便攜式實驗箱
- LG-ITP03型智能網聯汽車激光雷達實訓臺
- LG-IH04型智能網聯汽車組合導航系統便攜式實驗箱
- LG-IH01型智能網聯汽車毫米波雷達便攜式實驗箱
- LG-IKP013型智能網聯汽車決策規劃仿真實訓臺
- LG-TSV07型智能網聯乘用車高級開發教學平臺
- LG-TSV10型智能網聯車路協同智慧燈桿
- LG-TSV08型智能網聯微縮車平行駕駛系統
- LG-TSV11型智能網聯車路協同沙盤及云控平臺
- LG-IZC02型智能網聯自動駕駛小巴(8座 荷載15人)
- LG-JXY014型機械傳動與液壓控制實訓平臺
- LG-JXY012型工業機械傳動與液壓調試平臺
- LGY-JD011型機電液一體化智能綜合實訓平臺(液壓
更多熱點產品
- LG-DLK01型 電力系統綜合自動化實驗平臺
- LG系列 智能建筑實驗實訓裝置
- LGJS-3型 模塊式柔性環形自動生產線及工業機器人
- LGJX-82E型 立體倉庫實訓裝置
- LGJS-1型 現代物流倉儲自動化實驗系統
- LGJS-2型 模塊式柔性自動環形生產線實驗系統(工
- LG-2400型 數控模組化生產流水線綜合系統(CD制程
- LGJD-01型 光機電一體化控制實訓裝置
- LGJD-02型 光機電一體化控制實訓裝置
- LG-235A 光機電一體化高速分揀實訓系統
- LGK-III型 數控車/銑床綜合考核裝置(二合一/生產型
- LG-AT2型 自控原理與計算機控制實驗儀
- LG-NLY01型 樓宇智能化工程實訓系統
- LGZK-201G 自動化綜合實訓裝置( PLC、直流調速、觸
- LGPD-205B型 PLC、單片機及微機原理綜合實訓裝置
LG-ZN630型 工業機器人
品牌:理工偉業 咨詢電話:010-82827827 82827835
LG-ZN630型 工業機器人具有精度至高、加速能力強、剛性好等優點,重復定位精度高達±0.05mm,運動范圍達到1701mm,可輕松應對碼垛、裝配、打磨及焊接等行業的應用市場。
一、產品特點
1.高性價比: 低成本,花錢買回去的屬于通用工業機器人,可重復編程用于其他搬運、裝配作業,且可一年回收成本;
2.長壽命:LG-ZN630型 工業機器人采用高精密高剛度進口減速機,壽命可長達數十年,一次投入,多年受益;
3.高加速性能: LG-ZN630型 工業機器人采用低速比高精度減速機,擁有超快的加速性能,*快加速時間可達0.3S ;
4. 高集成度: 本體內置信號線與氣管即插即用,無需繁瑣接線,內部線纜無滑動,可長久保持無故障率;
5.超高精度: 除了精密的設計外,采用了進口高精密減速機,末端重復定位精度高達±0.05MM ;
6.高平滑性: LG-ZN630型 工業機器人采用先進控制系統及伺服驅動系統,實現高速而平滑的動作性能,幾乎做到過渡點零時間停頓;
7. 高剛性: 經過結構優化,采用大功率電機與優質的材料,剛性非常好;
8.高負載: 末端*大負載30kg,可輕松應對碼垛、裝配、打磨及焊接行業的應用市場。
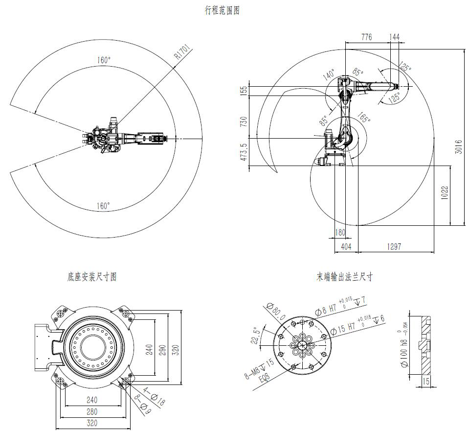
二、技術參數
三、工業機器人參數圖

四、工業現場


1.高性價比: 低成本,花錢買回去的屬于通用工業機器人,可重復編程用于其他搬運、裝配作業,且可一年回收成本;
2.長壽命:LG-ZN630型 工業機器人采用高精密高剛度進口減速機,壽命可長達數十年,一次投入,多年受益;
3.高加速性能: LG-ZN630型 工業機器人采用低速比高精度減速機,擁有超快的加速性能,*快加速時間可達0.3S ;
4. 高集成度: 本體內置信號線與氣管即插即用,無需繁瑣接線,內部線纜無滑動,可長久保持無故障率;
5.超高精度: 除了精密的設計外,采用了進口高精密減速機,末端重復定位精度高達±0.05MM ;
6.高平滑性: LG-ZN630型 工業機器人采用先進控制系統及伺服驅動系統,實現高速而平滑的動作性能,幾乎做到過渡點零時間停頓;
7. 高剛性: 經過結構優化,采用大功率電機與優質的材料,剛性非常好;
8.高負載: 末端*大負載30kg,可輕松應對碼垛、裝配、打磨及焊接行業的應用市場。
二、技術參數
工業機器人 | LG-ZN630 | |
自由度 | 6 | |
額定負載 | 30Kg | |
*大工作半徑 | 1701mm | |
重復定位精度 | ±0.05mm | |
運動范圍 | J1 | ±160° |
J2 | -175°/+75° | |
J3 | +40°/ +265° | |
J4 | ±180° | |
J5 | ±125° | |
J6 | ±360° | |
額定速度 | J1 | 88°/s,1.53 rad/s |
J2 | 66°/s,1.15 rad/s | |
J3 | 120°/s,2.09 rad/s | |
J4 | 178°/s,3.11 rad/s | |
J5 | 178°/s,3.11 rad/s | |
J6 | 225°/s,3.93 rad/s | |
*高速度 | J1 | 96°/s,1.68 rad/s |
J2 | 88°/s,1.53rad/s | |
J3 | 192°/s,3.35 rad/s | |
J4 | 297°/s,5.18 rad/s | |
J5 | 297°/s,5.18 rad/s | |
J6 | 375°/s,6.54rad/s | |
容許慣性矩 | J6 | 0.8kg㎡ |
J5 | 3.3kg㎡ | |
J4 | 8.7kg㎡ | |
容許扭矩 | J6 | 30.7Nm |
J5 | 73.4Nm | |
J4 | 140.4Nm | |
適用環境 | 溫度 | 0~45° |
濕度 | 20%~80% | |
其他 | 避免與易燃易爆或腐蝕性氣體、液體接觸,遠離電子噪聲源(等離子) | |
示教器線纜長度 | 8米 | |
本體-柜體連接線長度 | 6米 | |
I/O參數 | 數字量:32輸入,31輸出(控制柜故障指示燈輸出占用1) | |
電源容量 | 5.6kVA | |
額定功率 | 4.5kW | |
額定電壓 | 3相AC380V | |
額定電流 | 8.1A | |
本體防護等級 | IP54 | |
安裝方式 | 地面、倒掛安裝 | |
本體重量 | 302kg | |
控制柜防護等級 | IP53 | |
控制柜尺寸 | 750mm(寬)×486mm(厚)×1030mm(高)-立式 | |
控制柜重量 | 186kg |

四、工業現場

- 上一篇:LG-ZN620L型 工業機器人
- 下一篇:LG-ZN650L型 工業機器人