產品分類
- 電工電子電氣實訓設備
- 電力電子電機實訓裝置
- 過程控制實驗裝置
- 工業機器人智能制造
- 維修電工實訓設備
- PLC自動化實訓設備
- 數控機床實訓考核裝置
- 數控機床機械加工設備
- 機床電氣實訓裝置
- 機電一體化實訓設備
- 機械示教陳列柜
- 機械專業實驗設備
- 傳感器檢測實驗室設備
- 工業互聯人工智能實訓設備
- 特種作業操作實訓考核設備
- 物聯網實驗實訓設備
- 消防、給排水實訓設備
- 網絡布線實訓室設備
- 電梯安裝維修實訓考核設備
- 熱工暖通家電制冷實訓設備
- 樓宇智能化實訓設備
- 環境工程實驗裝置
- 流體力學實驗裝置
- 化工專業實驗實訓設備
- 新能源實驗實訓設備
- 電力供配電實訓設備
- 煤礦礦山實驗實訓設備
- 液壓氣動實驗室設備
- 教學仿真軟件
- 軌道交通實驗實訓設備
- 船舶實訓考核裝置
- 駕駛模擬訓練設備
- 新能源汽車實訓設備
- 汽車發動機底盤實訓臺
- 汽車電器電子實訓臺
- 特種車工程機械實訓設備
- 智能網聯汽車實訓設備
- 醫學教學模型
- 中小學實驗室設備
- 實驗箱.實驗儀
- 光電子通信實驗裝置
- 儀器設備.教學掛圖
更多新產品
- LG-DQ04型 電氣自動化技術考核實訓裝置
- LGKL-735D型 通用電工電子實訓設備(電工電子電氣數
- LG-BZH015型 光纜交接箱工程布線光電展示實訓裝置
- LG-BZH014型 數據中心工程布線光電展示實訓裝置
- LG-BZH013型 光纖熔接實訓設備
- LG-BZH012型 全光網綜合布線實訓平臺
- LG-BZH011型 網絡綜合布線故障模擬與檢測實訓裝置
- LG-BZH010型 網絡綜合布線故障模擬與檢測實訓裝置
- LG-BZH09型 光纜配線端接與測試實訓裝置
- LG-BZH08型 光纜配線端接與測試實訓裝置
- LG-BZH07型 銅纜配線端接與測試實訓裝置
- LG-BZH06型 銅纜配線端接與測試實訓裝置
- LG-DST02型 智能制造單元理實一體化平臺
- LGP-LC01型 PLC實驗臺
- LGY-LY020型 運動控制實訓裝置
更多熱點產品
- 汽車透明整車模型、運輸車輛模型
- CLG-104型《電機與變壓器》示教陳列柜(CD解說)
- CLG-109《模具》示教陳列柜(CD解說)
- CLG-107型 機械綜合陳列柜
- CLG-102型 《機械零件》示教陳列柜
- LG-DCC型 機械振打袋式除塵實驗裝置
- LG-MFL01型 超濾微濾膜分離實驗裝置
- LG-NKS型 催化劑顆粒內擴散實驗裝置
- LG-CLDF型 多釜串聯實驗裝置
- LG-YY18C型 氣動與PLC實訓裝置(T型鋁槽單面)
- LG-YY18B型 透明液壓傳動與PLC實訓裝置(T型鋁槽單面
- LG-YYCS01型 液壓傳動與控制綜合測試實驗臺
- LG-DY01B型 電液比例綜合實驗臺
- LG-YYZN01型 智能型液壓綜合實驗臺
- LG-DLK01型 電力系統綜合自動化實驗平臺
LGL-607/607L型 工業機器人
品牌:理工偉業 咨詢電話:010-82827827 82827835
LGL-607/607L型 工業機器人輕量型機器人,外形小巧、重量輕,是*適合用于組裝小型單元機器人,能夠高速、高精度的完成上下料、分揀、裝配等各項工作。同時所有機器人線纜內置,能夠在狹小的空間靈活的進行作業,安裝方式可以選擇地面安裝、掛裝、倒裝。LGL-607/607L型 工業機器人手腕額定負載5Kg,*大負載波6Kg,*大工作半徑LGL-607型*大工作半徑為720mm,LGL-607L型*大工作半徑為910MM。
一、產品特點
LGL-607/607L型 工業機器人重量輕、運行速度快、外型美觀、重復定位精度高、內置線纜。
二、產品應用
(一)搬運貨物
1、更大的靈活性,更穩定的性能、更低的能耗;
2、具有高速性的*大化吞吐量;
3、超長的工作運行時間;
4、節省地面空間;
(二)裝配
1、高速度、高重復定位精度;
2、節省地面空間;
3、超長的工作運行時間;
(三)打磨
1、防護等級高;
2、手腕力矩大;
三、技術參數
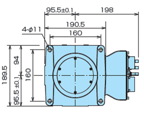
四、工業機器人參數圖



LGL-607/607L型 工業機器人重量輕、運行速度快、外型美觀、重復定位精度高、內置線纜。
二、產品應用
(一)搬運貨物
1、更大的靈活性,更穩定的性能、更低的能耗;
2、具有高速性的*大化吞吐量;
3、超長的工作運行時間;
4、節省地面空間;
(二)裝配
1、高速度、高重復定位精度;
2、節省地面空間;
3、超長的工作運行時間;
(三)打磨
1、防護等級高;
2、手腕力矩大;
三、技術參數
工業機器人 | LGL-607 | LGL-607L | |
手腕負載 | 額定 5 kg | 額定 5 kg | |
*大 6 kg | *大 6 kg | ||
*大工作半徑 | 780mm | 900mm | |
自由度 | 6 | 6 | |
關節速度 | J1 | 370°/s | 370°/s |
J2 | 370°/s | 370°/s | |
J3 | 430°/s | 430°/s | |
J4 | 300°/s | 300°/s | |
J5 | 460°/s | 460°/s | |
J6 | 600°/s | 600°/s | |
關節范圍 | J1 | ±170° | ±170° |
J2 | ±110° | ±110° | |
J3 | "+40°/- 220° | "+40°/- 220° | |
J4 | ±185° | ±185° | |
J5 | ±120° | ±120° | |
J6 | ±360° | ±360° | |
瞬間容許*大轉矩 | J5 | 35Nm | 35Nm |
J6 | 24Nm | 24Nm | |
重量 | 30kg | 32kg | |
重復定位精度 | ±0.05mm | ±0.05mm | |
工作溫度 | 0-40℃ | 0-40℃ |


- 上一篇:LGL-604型 工業機器人
- 下一篇:LGL-608型 工業機器人