產品分類
- 電工電子電氣實訓設備
- 電力電子電機實訓裝置
- 過程控制實驗裝置
- 工業機器人智能制造
- 維修電工實訓設備
- PLC自動化實訓設備
- 數控機床實訓考核裝置
- 數控機床機械加工設備
- 機床電氣實訓裝置
- 機電一體化實訓設備
- 機械示教陳列柜
- 機械專業實驗設備
- 傳感器檢測實驗室設備
- 工業互聯人工智能實訓設備
- 特種作業操作實訓考核設備
- 物聯網實驗實訓設備
- 消防、給排水實訓設備
- 網絡布線實訓室設備
- 電梯安裝維修實訓考核設備
- 熱工暖通家電制冷實訓設備
- 樓宇智能化實訓設備
- 環境工程實驗裝置
- 流體力學實驗裝置
- 化工專業實驗實訓設備
- 新能源實驗實訓設備
- 電力供配電實訓設備
- 煤礦礦山實驗實訓設備
- 液壓氣動實驗室設備
- 教學仿真軟件
- 軌道交通實驗實訓設備
- 船舶實訓考核裝置
- 駕駛模擬訓練設備
- 新能源汽車實訓設備
- 汽車發動機底盤實訓臺
- 汽車電器電子實訓臺
- 特種車工程機械實訓設備
- 智能網聯汽車實訓設備
- 醫學教學模型
- 中小學實驗室設備
- 實驗箱.實驗儀
- 光電子通信實驗裝置
- 儀器設備.教學掛圖
更多新產品
- LG-DQ04型 電氣自動化技術考核實訓裝置
- LGKL-735D型 通用電工電子實訓設備(電工電子電氣數
- LG-BZH015型 光纜交接箱工程布線光電展示實訓裝置
- LG-BZH014型 數據中心工程布線光電展示實訓裝置
- LG-BZH013型 光纖熔接實訓設備
- LG-BZH012型 全光網綜合布線實訓平臺
- LG-BZH011型 網絡綜合布線故障模擬與檢測實訓裝置
- LG-BZH010型 網絡綜合布線故障模擬與檢測實訓裝置
- LG-BZH09型 光纜配線端接與測試實訓裝置
- LG-BZH08型 光纜配線端接與測試實訓裝置
- LG-BZH07型 銅纜配線端接與測試實訓裝置
- LG-BZH06型 銅纜配線端接與測試實訓裝置
- LG-DST02型 智能制造單元理實一體化平臺
- LGP-LC01型 PLC實驗臺
- LGY-LY020型 運動控制實訓裝置
更多熱點產品
- 汽車透明整車模型、運輸車輛模型
- CLG-104型《電機與變壓器》示教陳列柜(CD解說)
- CLG-109《模具》示教陳列柜(CD解說)
- CLG-107型 機械綜合陳列柜
- CLG-102型 《機械零件》示教陳列柜
- LG-DCC型 機械振打袋式除塵實驗裝置
- LG-MFL01型 超濾微濾膜分離實驗裝置
- LG-NKS型 催化劑顆粒內擴散實驗裝置
- LG-CLDF型 多釜串聯實驗裝置
- LG-YY18C型 氣動與PLC實訓裝置(T型鋁槽單面)
- LG-YY18B型 透明液壓傳動與PLC實訓裝置(T型鋁槽單面
- LG-YYCS01型 液壓傳動與控制綜合測試實驗臺
- LG-DY01B型 電液比例綜合實驗臺
- LG-YYZN01型 智能型液壓綜合實驗臺
- LG-DLK01型 電力系統綜合自動化實驗平臺
LGPFDC-1帶傳動實訓模型
一、實訓目的
1.了解氣動技術、傳感器技術、位置控制技術等內容。
2.掌握PLC控制的基本原理。
3.掌握變頻器應用技術。

二、實訓設備
1. LGPFDC-1帶傳動實訓模型1臺
2,計算機(用戶自備)1臺
3,靜音氣泵(用戶自備)1臺
4. PLC主機(含編程電纜) (用戶自備)1臺
5.變頻器(用戶自備)1臺
三、控制要求
系統啟動,將物料放到光電傳感器前的皮帶上,當光電傳感器檢測到有工件進入,即給控制系統發出信號,控制系統給變頻器發出啟動信號。變頻器驅動三相交流電機帶動皮帶轉動,當物料為金屬時電感傳感器檢測到信號,變頻器停止,推料氣缸一動作,將物料推入第一個料槽;當物料為非金屬時電容傳感器檢測到信號,變頻器停止,推料氣缸二動作,將物料推入第二個料槽。
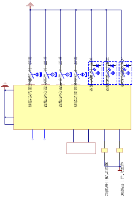
四、端子排布
注:和LGPF-B配合使用時,請使用實訓屏上的信號轉接板進行連接,信號轉按板使用方法請參考LGPF-B實訓指導書中式的使用說明。
五、控制系統
用戶可根據需要自由配置控制系統,現就常見的西門子、三菱、歐姆龍PLC和變頻器做簡單介紹。
可編程控制器與變頻器配置表(可另配其他主機)
(一)西門子系統使用說明
1.西門子PLC電氣控制原理圖


2. MM420變頻器參數設置
(二)三菱系統使用說明
1.三菱PLC電氣控制原理圖

2.S520變頻器參數設置
旋轉頻率設定旋鈕,將運行頻率設定為30Hz。
(三)歐姆龍系統使用說明
1.歐姆龍PLC電氣控制原理圖
2.3G3MZ變頻器參數設置
旋轉頻率設定旋鈕,將運行頻率設定為30Hz。
六、參考程序(見光盤)
1.了解氣動技術、傳感器技術、位置控制技術等內容。
2.掌握PLC控制的基本原理。
3.掌握變頻器應用技術。

二、實訓設備
1. LGPFDC-1帶傳動實訓模型1臺
2,計算機(用戶自備)1臺
3,靜音氣泵(用戶自備)1臺
4. PLC主機(含編程電纜) (用戶自備)1臺
5.變頻器(用戶自備)1臺
三、控制要求
系統啟動,將物料放到光電傳感器前的皮帶上,當光電傳感器檢測到有工件進入,即給控制系統發出信號,控制系統給變頻器發出啟動信號。變頻器驅動三相交流電機帶動皮帶轉動,當物料為金屬時電感傳感器檢測到信號,變頻器停止,推料氣缸一動作,將物料推入第一個料槽;當物料為非金屬時電容傳感器檢測到信號,變頻器停止,推料氣缸二動作,將物料推入第二個料槽。
四、端子排布
注:和LGPF-B配合使用時,請使用實訓屏上的信號轉接板進行連接,信號轉按板使用方法請參考LGPF-B實訓指導書中式的使用說明。
五、控制系統
用戶可根據需要自由配置控制系統,現就常見的西門子、三菱、歐姆龍PLC和變頻器做簡單介紹。
可編程控制器與變頻器配置表(可另配其他主機)
西門子 | 三菱 | 歐姆龍 | |
PLC | CPU224, CPU226, CPU314 | FX1N、FX1S、 FX2N | CPM2A |
變頻器 | MM420 | S520 | 3G3MZ |
1.西門子PLC電氣控制原理圖


2. MM420變頻器參數設置
序號 | 參數代號 | 設置值 | 說明 |
1 | P0010 | 30 | 調出出廠設置參數 |
2 | P0970 | 1 | 恢復出廠值 |
3 | P0003 | 3 | 參數訪問級 |
4 | P0004 | 0 | 參數過濾器 |
5 | P0010 | 1 | 快速調試 |
6 | P0100 | 0 | 工頻選擇 |
7 | P0304 | 380 | 電動機的額定電壓 |
8 | P0305 | 0.17 | 電動機的額定電流 |
9 | P0307 | 0.03 | 電動機的額定功率 |
10 | P0310 | 50 | 電動機的額定頻率 |
11 | P0311 | 1500 | 電動機的額定速度 |
12 | P0700 | 2 | 選擇命令源(外部端子控制) |
13 | P1000 | 1 | 選擇頻率設定值 |
14 | P1080 | 0 | 電動機*小頻率 |
15 | P1082 | 50.00 | 電動機*大頻率 |
16 | P1120 | 1.00 | 斜坡上升時間 |
17 | P1121 | 0.5 | 斜坡下降時間 |
18 | P3900 | 1 | 結束快速調試 |
19 | P0003 | 3 | 檢查P0003是否為3 |
20 | P1040 | 30 | 頻率設定 |
1.三菱PLC電氣控制原理圖

2.S520變頻器參數設置
序號 | 參數代號 | 初始值 | 設置值 | 功能說明 |
1 | P1 | 120 | 50 | 上限頻率(Hz) |
2 | P2 | 0 | 0 | 下限頻率(Hz) |
3 | P3 | 50 | 50 | 電機額定頻率 |
4 | P7 | 5 | 1 | 加速時間 |
5 | P8 | 5 | 0.5 | 減速時間 |
6 | P79 | 0 | 3 | 運行模式選擇 |
(三)歐姆龍系統使用說明
1.歐姆龍PLC電氣控制原理圖

2.3G3MZ變頻器參數設置
序號 | 參數代號 | 初始值 | 設置值 | 功能說明 |
1 | n0.02 | 0 | 9 | 變頻器初始化 |
2 | n1.09 | 10.0 | 1.0 | 加速時間 |
3 | n1.10 | 10.0 | 0.5 | 減速時間 |
4 | n2.00 | 1 | 1 | 操作器的頻率旋鈕有效 |
5 | n2.01 | 0 | 1 | 控制回路端子啟停變頻器 |
6 | n4.04 | 0 | 0 | 控制回路端子功能 |
六、參考程序(見光盤)
- 上一篇:LGPFMJ-1門禁控制系統實訓模型
- 下一篇:LGPFZC-1自動送料裝車實訓模型